Hyundai Kona: Blower / Blower Resistor (Manual) Repair procedures

Inspection
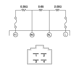
1.
Measure the resistance between the terminals.
2.
The measured resistance is not within specification, the blower resistor must be replaced. (After removing the resistor)

Replacement
1.
Disconnect the negative (-) battery terminal.
2.
Disconnect the connector (A) and then remove the blower resistor (B) after loosening the mounting screws.

3.
Installation is the reverse order of removal.
Power Mosfet Repair procedures
Inspection 1. Turn the ignition switch ON. 2. Manually operate the control switch and measure the voltage of the b ...

Climate Control Air Filter Description and operation
Description The climate control air filter is located in the blower unit. It eliminates foreign materials and odor. The particle filter performs a role as an odor filter ...

Other information:

Hyundai Kona (OS) 2018-2026 Service Manual: Mode Control Actuator Repair procedures
Inspection 1. Turn the ignition switch OFF. 2. Disconnect the mode control actuator connector. 3. Verify that the mode control actuator operates to the defrost mode when connec ...

Hyundai Kona (OS) 2018-2026 Owners Manual: Driver’s and passenger’s front air bags
Your vehicle is equipped with a Supplemental Restraint System (SRS) and lap/shoulder belts at both the driver and passenger seating positions. The SRS consists of air bags which are located in the center of the steering wheel, in the driver’s side lower crash pad below the steering wheel, and t ...

© 2018-2026 www.hkona.com