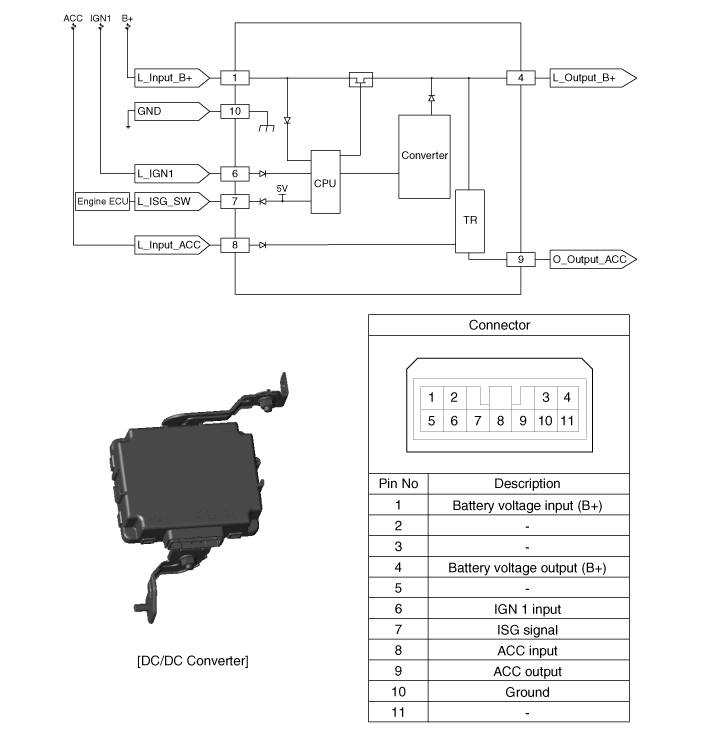
| Circuit Diagram |
| [200W] |

| [450W] |

DC/DC Converter Components and components location
DC/DC Converter Repair proceduresHyundai Kona (OS) 2018-2025 Owners Manual: Turn signals and lane change signals
To signal a turn, push down on the lever for a left turn or up for a right turn
in position (A). To signal a lane change, move the turn signal lever slightly and
hold it in position (B).The lever will return to the OFF position when released
or when the turn is completed.
If an indicator stays o ...
Hyundai Kona (OS) 2018-2025 Owners Manual: Drive Info display
This display shows the trip distance (1), the average fuel economy (2), and the
total driving time (3).
The information is combined for each ignition cycle. However, when the engine
has been OFF for 4 hours or longer the Drive Info screen will reset.
To manually reset the information, press and h ...