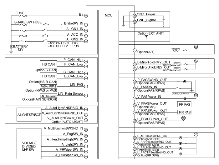
| Circuit Diagram |


Components and components location
Description and operationHyundai Kona (OS) 2018-2026 Owners Manual: Tilting the sunroof
Tilt the sunroof open:
Push the sunroof control lever upward until the sunroof moves to the desired
position.
To close the sunroof:
Press the sunroof lever forward until the sunroof moves to the desired position.
NOTICE
Periodically remove any dirt that may accumulate on the sunroof guide
rail ...
Hyundai Kona (OS) 2018-2026 Owners Manual: Clock
WARNING
Do not adjust the clock while driving.You may lose your steering control and
cause severe personal injury or accidents.
Vehicles with Audio system
Select the [SETUP/CLOCK ] button on the audio system ➟ Select [Date/Time].
Set time: Set the time displayed on the audio screen.
Time forma ...