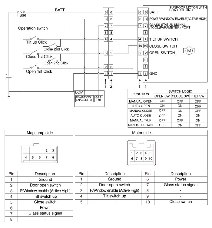
| Circuit Diagram |

Components and components location
Sunroof Switch Repair proceduresHyundai Kona (OS) 2018-2026 Owners Manual: Downhill Brake Control (DBC) Indicator Light
This warning light illuminates:
Once you set the ignition switch or Engine Start/Stop Button to the ON
position. - It illuminates for approximately 3 seconds and then goes off.
When you activate the DBC system by pressing the DBC button.
This warning light blinks:
When the DBC is operating. ...
Hyundai Kona (OS) 2018-2026 Service Manual: Front Wheel Speed Sensor Repair procedures
Removal
1.
Turn the ignition switch OFF and then disconnect the negative (-) battery
cable.
2.
Loosen the wheel nuts slightly.
Raise the vehicle, and make sure it is securely supported.
3.
Remove t ...