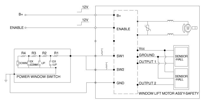
| Circuit Diagram |


Power Window Motor Components and components location
Power Window Motor Repair proceduresHyundai Kona (OS) 2018-2026 Owners Manual: Washer fluid
Checking the washer fluid level
Check the fluid level in the washer fluid reservoir and add fluid if necessary.
Plain water may be used if washer fluid is not available. However, use washer solvent
with antifreeze characteristics in cold climates to prevent freezing.
WARNING
To prevent serious in ...
Hyundai Kona (OS) 2018-2026 Owners Manual: Checking the amount of air conditioner refrigerant and compressor lubricant
When the amount of refrigerant is low, the performance of the air conditioning
is reduced. Overfilling also reduces the performance of the air conditioning system.
Therefore, if abnormal operation is found, we recommend that the system be inspected
by an authorized HYUNDAI dealer.
WARNING
Vehicles ...