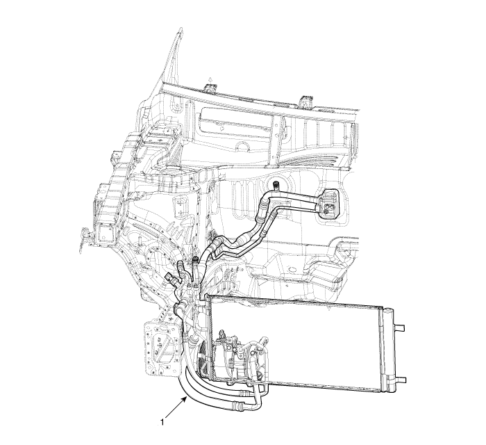
| Components Location |

| 1. Suction & Liquid tube
assembly |
Compressor oil Repair procedures
Refrigerant Line Repair proceduresHyundai Kona (OS) 2018-2026 Owners Manual: Four Wheel Drive (4WD) mode selection
WARNING
If 4WD warning light () stays on
the instrument cluster, your vehicle may have a malfunction with the 4WD system.
When the 4WD warning light () illuminates
we recommend that the vehicle be checked by an authorized HYUNDAI dealer as soon
as possible.
CAUTION
When driving on normal roads, ...
Hyundai Kona (OS) 2018-2026 Owners Manual: Checking the amount of air conditioner refrigerant and compressor lubricant
When the amount of refrigerant is low, the performance of the air conditioning
is reduced. Overfilling also reduces the performance of the air conditioning system.
Therefore, if abnormal operation is found, we recommend that the system be inspected
by an authorized HYUNDAI dealer.
WARNING
Vehicles ...