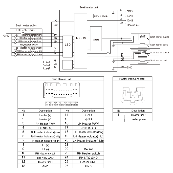
| Circuit Diagram |

Seat Heater Components and components location
Seat Heater Repair proceduresHyundai Kona (OS) 2018-2026 Owners Manual: Jack and tools
(1) Jack handle (2) Jack (3) Wheel nut wrench
The jack, jack handle, and wheel nut wrench are stored in the luggage compartment
under the luggage box cover.
The jack is provided for emergency tire changing only.
Turn the winged hold down bolt counterclockwise to remove the spare tire.
Store the s ...
Hyundai Kona (OS) 2018-2026 Owners Manual: Transmission shift indicator
Manual transmission shift indicator
This indicator informs which gear is recommended while driving, to save fuel.
Shifting up : â–²2, â–²3, â–²4, â–²5, â–²6
Shifting down :â–¼1, â–¼2, â–¼3, â–¼4, â–¼5
For example
â–²3: Indicates that shifting up to the 3rd gear is recommended (currently the
sh ...