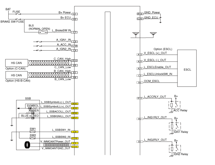
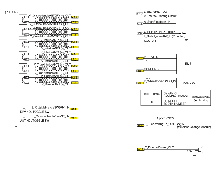
| Circuit Diagram |


Smart Key Unit Components and components location
Smart Key Unit Repair proceduresHyundai Kona (OS) 2018-2026 Owners Manual: Parking Distance Warning (Reverse/Forward) system
[A] : Rear Sensor, [B] : Front Sensor
The Parking Distance Warning (Reverse/Forward) system assists the driver during
movement of the vehicle by chiming if any object is sensed within the distance of
100 cm (39 inches) in front and 120 cm (47 inches) behind the vehicle.
This system is a supplemen ...
Hyundai Kona (OS) 2018-2026 Service Manual: Specifications
Specifications
Tightening Torques
Items
N.m
kgf.m
lb-ft
Transfer assembly mounting bolts
60.8 - 65.7
6.2 - 6.7
44.8 - 48.5
4WD ECM mounting nuts
9.8 - 1 ...