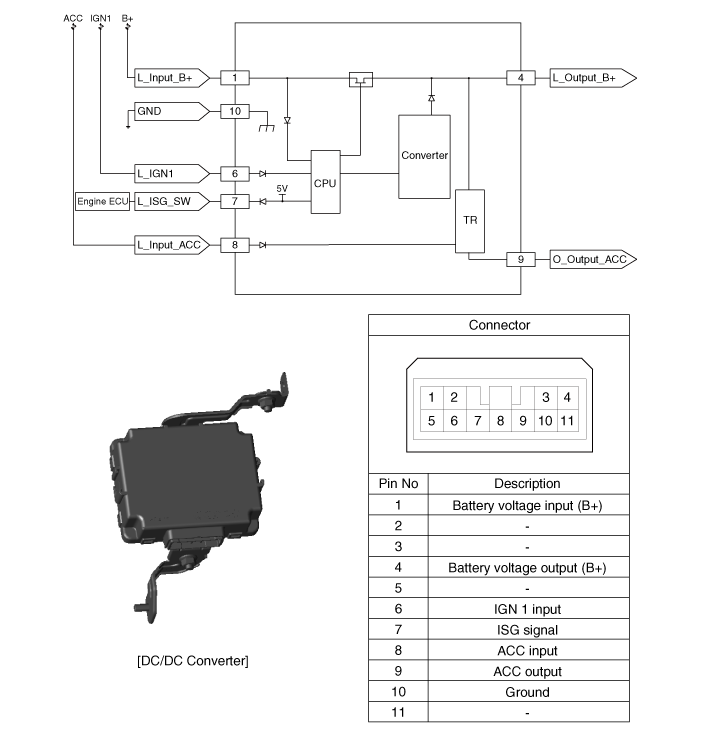
| Circuit Diagram |
| [200W] |

| [450W] |

DC/DC Converter Components and components location
DC/DC Converter Repair proceduresHyundai Kona (OS) 2018-2026 Service Manual: General information
General Information
The supplemental restraint system (SRS) is designed to supplement the seat belt
to help reduce the risk or severity of injury to the driver and passenger by
activating and deploying the driver, passenger, side airbag and belt pretensioner
in certain front ...
Hyundai Kona (OS) 2018-2026 Owners Manual: Sunvisor
To use a sunvisor, pull it downward.
To use a sunvisor for a side window, pull it downward, unsnap it from the bracket
(1) and swing it to the side (2).
To use the vanity mirror, pull down the sunvisor and slide the mirror cover (3).
Use the ticket holder (4) to hold tickets.
Information
Close the ...