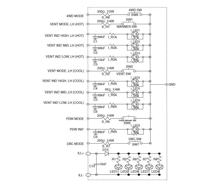
| Circuit Diagram |

|
Pin |
Descriptoin |
|
17 |
PDW Mode |
|
21 |
PDW IND |
|
4 |
Ground |
Parking Distance Warning Sensor Repair procedures
Parking Distance Warning Switch Repair proceduresHyundai Kona (OS) 2018-2026 Owners Manual: Instrument panel overview
â– Left-Hand drive type
1. Instrument cluster 2. Horn 3. Driver’s front air bag 4. Key ignition
switch Engine Start/Stop button 5. Light control/Turn signals 6. Wiper/Washer
7. Audio system Navigation system 8. Hazard warning flasher switch 9. Manual
climate control system Automatic climate c ...
Hyundai Kona (OS) 2018-2026 Owners Manual: Electronic Brake Force Distribution (EBD) System Warning Light
These two warning lights illuminate at the same time while driving:
• When the ABS and regular brake system may not work normally.
In this case, we recommend that you have the vehicle inspected by an authorized
HYUNDAI dealer.
WARNING
Electronic Brake Force Distribution (EBD) System Warning Ligh ...