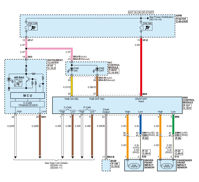
| Circuit Diagram |



SRSCM Components and components location
SRS Control Module (SRSCM) Components and components locationHyundai Kona (OS) 2018-2026 Owners Manual: Battery
WARNING
To prevent SERIOUS INJURY or DEATH to you or bystanders, always follow these
precautions when working near or handling the battery:
Always read and follow instructions
carefully when handling a battery.
Wear eye protection designed
to protect the eyes from acid splashes.
Keep all flame ...
Hyundai Kona (OS) 2018-2026 Owners Manual: System setting and activation
System setting
The Driver Attention Warning (DAW) system is set to be in the OFF position,
when your vehicle is first delivered to you from the factory.
To turn ON the Driver Attention Warning (DAW) system, turn on the engine,
and then select "User Settings Driver Assistance Driver Attention ...