| Components |

AVN Remote Controller Repair procedures
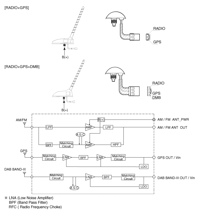
AVN Antenna Repair proceduresHyundai Kona (OS) 2018-2025 Owners Manual: Deadlocks
Some vehicles are equipped with a deadlock system. Deadlocks prevent opening
of a door from either inside or outside the vehicle once the deadlocks have been
activated providing an additional measure of vehicle security.
To lock the vehicle using the deadlock function, the doors must be locked by ...
Hyundai Kona (OS) 2018-2025 Owners Manual: Immobilizer Indicator Light (without smart key)
This indicator light illuminates:
When the vehicle detects the immobilizer in the key with the ignition
switch in the ON position. - At this time, you can start the engine. - The
indicator light goes off after starting the engine.
This indicator light blinks:
When there is a malfunction wi ...