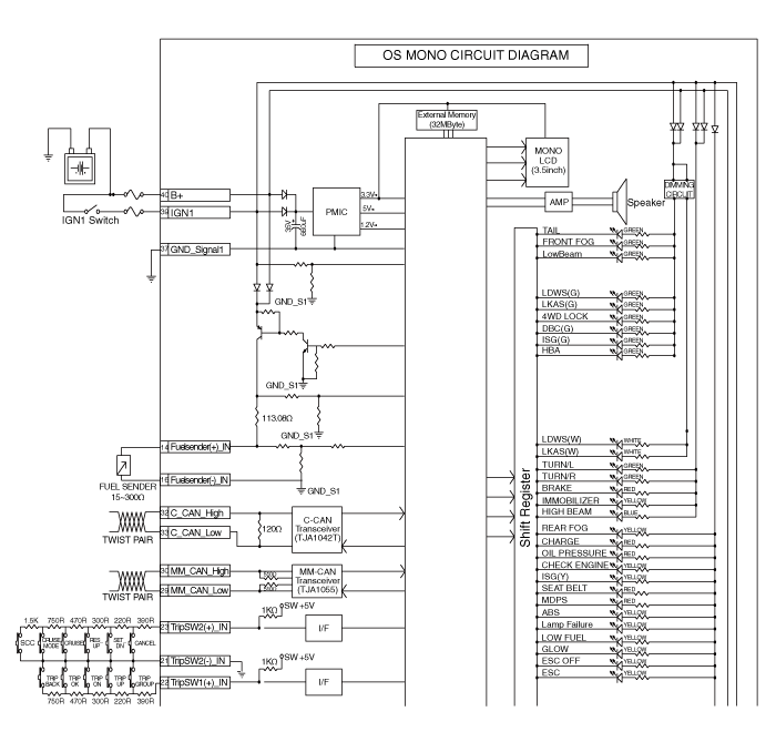
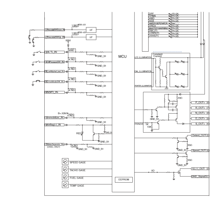
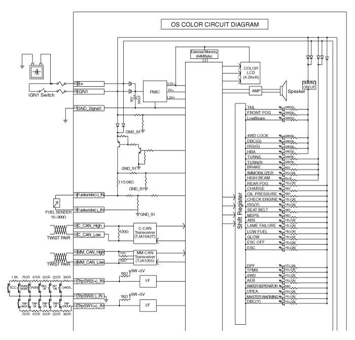
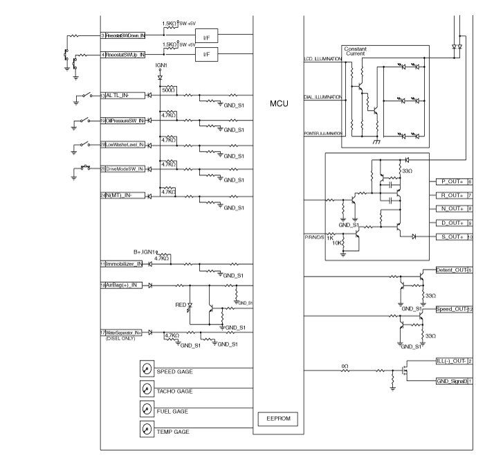
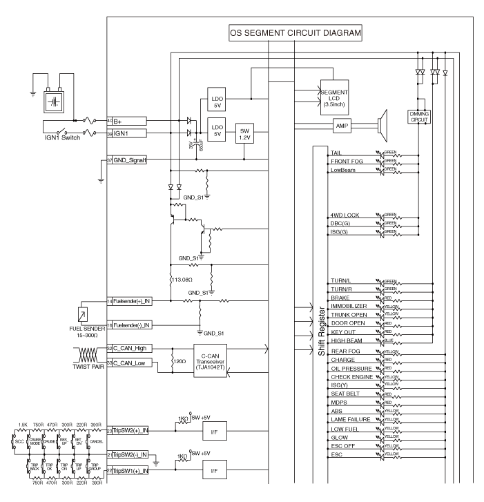
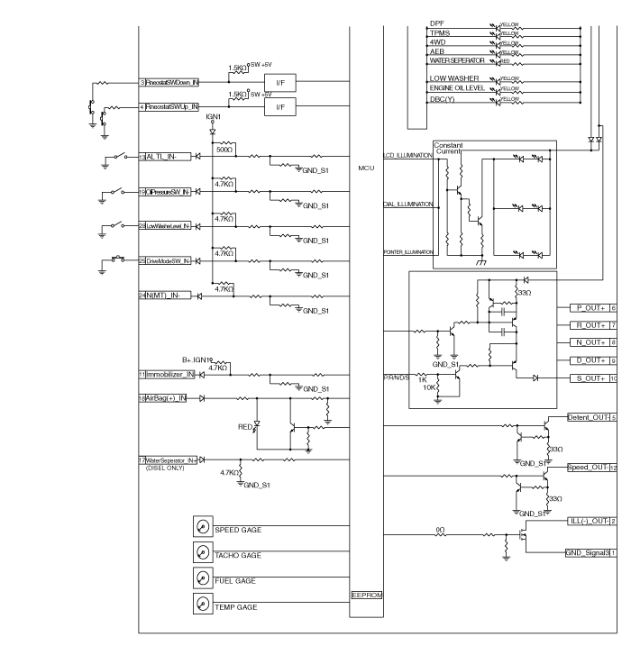
| Circuit Diagram |






Instrument Cluster Components and components location
Instrument Cluster Description and operationHyundai Kona (OS) 2018-2026 Owners Manual: Warning message and warning light
Forward Collision Avoidance Assist (FCA) system disabled. Radar blocked
When the sensor cover is blocked with dirt, snow, or debris, the FCA system operation
may stop temporarily. If this occurs, a warning message will appear on the LCD display.
Remove any dirt, snow, or debris and clean the radar ...
Hyundai Kona (OS) 2018-2026 Service Manual: ESP Control Unit Repair procedures
Removal
1.
Turn the ignition switch OFF and then disconnect the negative (-) battery
cable.
2.
Separate the intercooler inlet hose (A) from the turbocharger and then
remove the inter cooler inlet pipe (B). [Gasoline 1.6 T-GDI]
...