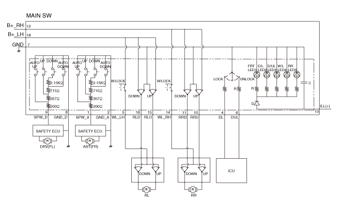
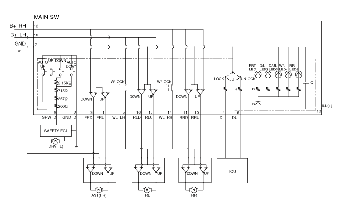
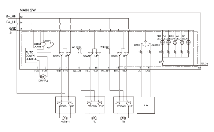
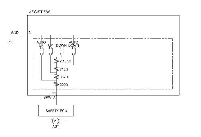
| Circuit Diagram |






Power Window Switch Components and components location
Power Window Switch Repair proceduresHyundai Kona (OS) 2018-2025 Service Manual: Fuel Filler Cap Description and operation
Description
A ratchet tightening device on the threaded fuel filler cap reduces the chances
of incorrect installation, which would seal the fuel filler. After the gasket
on the fuel filler cap and the filler neck flange contact each other, the ratchet
produces a loud clickin ...
Hyundai Kona (OS) 2018-2025 Owners Manual: Start-up
You can start the engine without inserting the key. For detailed information
refer to the Engine Start/Stop button in chapter 5.
NOTICE
To prevent damaging the smart key:
Keep the smart key away from water or any liquid and fire. If the inside
of the smart key gets damp (due to drinks or moistu ...