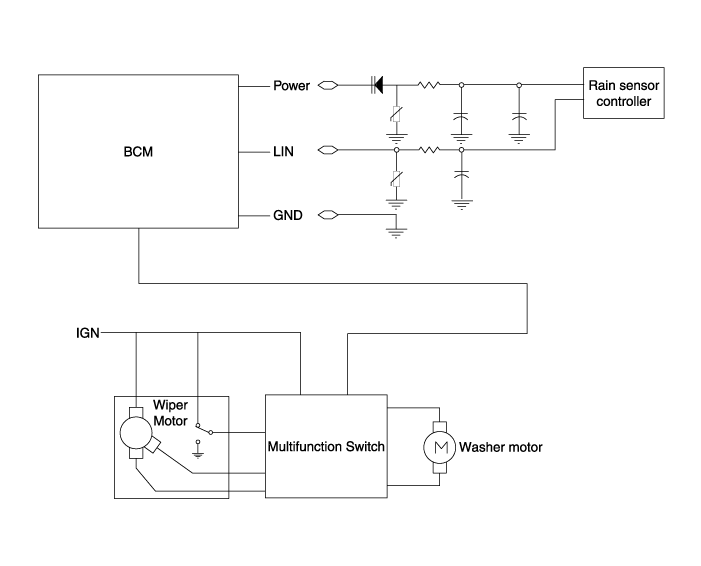
| Circuit Diagram |

Rain Sensor Description and operation
Rain Sensor Repair proceduresHyundai Kona (OS) 2018-2026 Owners Manual: For best battery service
Keep the battery securely mounted.
Keep the battery top clean and dry.
Keep the terminals and connections clean, tight, and coated with petroleum
jelly or terminal grease.
Rinse any spilled electrolyte from the battery immediately with a solution
of water and baking soda.
If the vehicle i ...
Hyundai Kona (OS) 2018-2026 Owners Manual: Exterior features
Roof rack
If the vehicle has a roof rack, you can load cargo on top of your vehicle.
NOTICE
If the vehicle is equipped with a sunroof, be sure not to position cargo onto
the roof rack in such a way that it could interfere with sunroof operation.
NOTICE
When carrying cargo on the roof rack, take ...